METRİK VİDALAR
 |
 |
 |
 |
| ÖLÇÜLER |
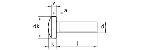
DIN 7985 - EN ISO 7045 YSB VİDA |
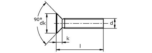
DIN 965 - EN ISO 7046 YHB VİDA |
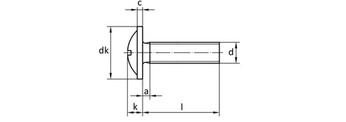
DIN 967 RYSB (PULLU) VİDA |
| D |
P (ADIM) |
DK |
K |
L |
DK |
K |
L |
DK |
K |
C |
L |
| M1,6 |
0,35 |
3,20 |
1,20 |
2-16 |
3,00 |
1,00 |
3-16 |
- |
- |
- |
- |
| M2 |
0,40 |
4,00 |
1,60 |
2-20 |
3,80 |
1,20 |
3-20 |
- |
- |
- |
- |
| M2,5 |
0,45 |
5,00 |
2,10 |
3-30 |
|
|
|
|
|
|
|