Dolu perçinler en basit, en güvenilir ve en eski tip bağlantı elemanları arasındadır.
Arkeologların araştırmalarında, Bronz Çağı'na kadar uzanan dolu perçin kullanımının kalıntılarını bulmuşlardır.
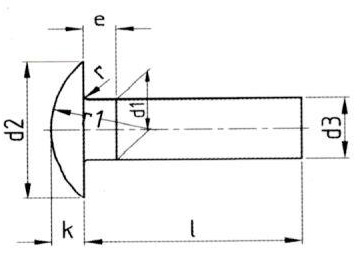
Bu perçinler, bir ucunda bir kafa ile bir katı milden oluşur. Dolu dolu montajı, perçinin başsız ucu yerinde tutmak için bir çekiç veya perçin tabancası ile ezerek perçinleme işlemi yapılır.
Yaygın kullanılan bir perçin tipidir. Dolu perçinler emniyetin önemli olduğu ürün ve alanlarda kullanılır.
Hedef Bağlantı Elemanları, çeşitli çap ve boylarda, Çelik, Bakır, Prinç, Paslanmaz ve Alüminyum malzemelerden ve istediğiniz kafa şekilleriyle yarım delik perçinlerin üreimlerini yapmaktadır.
Perçinler ile ilgili fiyat teklifi almak için satis@hedefbaglanti.com.tr adresine istemiş olduğunu ürün teknik bilgilerini göndermeniz yeterlidir.
![]() |
|
|
|
|
||||||
|---|---|---|---|---|---|---|---|---|---|---|
| Ortak Ölçüler |
DIN 7338-A Düz Başlı |
DIN 660 Bombe Başlı |
DIN 674 Mercimek Başlı |
DIN 661 Havşa Başlı |
||||||
| D1 | D3 | L | D2 | K | D2 | K | D2 | K | D2 | K |
| 1,0 | 0,90 | 2,5-20 | 1,9 | 0,6 | 1,9 | 0,9 | 2,0 | 0,7 | 4,0 | 1,0 |
| 1,5 | 1,40 | 2,5-20 | 2,5 | 0,6 | 2,5 | 0,9 | 2,5 | 0,7 | 4,0 | 1,0 |
| 2,0 | 1,85 | 2,5-20 | 3,5 | 0,6 | 3,5 | 1,5 | 4,0 | 1,0 | 4,0 | 1,0 |
| 2,5 | 2,40 | 3-20 | 4,5 | 0,6 | 4,5 | 2,0 | 5,0 | 1,0 | 4,0 | 1,0 |
| 3,0 | 2,85 | 3-30 | 5,5 | 0,8 | 5,5 | 2,5 | 6,0 | 1,0 | 4,0 | 1,0 |
| 3,5 | 3,40 | 4-40 | 6,0 | 0,8 | 6,0 | 2,5 | 6,0 | 1,5 | 6,0 | 1,5 |
| 4,0 | 3,85 | 4-80 | 7,5 | 1,0 | 7,0 | 3,0 | 8,0 | 2,0 | 8,0 | 2,0 |
| 5,0 | 4,85 | 5-100 | 9,5 | 1,0 | 9,0 | 4,0 | 10,0 | 2,5 | 10,0 | 2,5 |
| 6,0 | 5,85 | 6-100 | 11,5 | 1,2 | 11,0 | 4,5 | 12,0 | 3,5 | 12,0 | 3,0 |
| 8,0 | 7,80 | 8-130 | 15,5 | 1,2 | 14,0 | 5,5 | 16,0 | 4,0 | 16,0 | 4,0 |
| 10,0 | 9,80 | 10-100 | 18,0 | 1,5 | 17,0 | 7,0 | 20,0 | 5,0 | 20,0 | 5,0 |
| Malzeme : Demir / Bakır / Alüminyum / Pirinç | ||||||||||